850nm Fabry Perot FP Diodă laser cuplată cu fibră
  • 850nm Fabry Perot FP Diodă laser cuplată cu fibră 850nm Fabry Perot FP Diodă laser cuplată cu fibră
  • 850nm Fabry Perot FP Diodă laser cuplată cu fibră 850nm Fabry Perot FP Diodă laser cuplată cu fibră
  • 850nm Fabry Perot FP Diodă laser cuplată cu fibră 850nm Fabry Perot FP Diodă laser cuplată cu fibră
  • 850nm Fabry Perot FP Diodă laser cuplată cu fibră 850nm Fabry Perot FP Diodă laser cuplată cu fibră
  • 850nm Fabry Perot FP Diodă laser cuplată cu fibră 850nm Fabry Perot FP Diodă laser cuplată cu fibră

850nm Fabry Perot FP Diodă laser cuplată cu fibră

Dioda laser fluture cu mod multi-longitudinal Fabry-Perot (FP) de 850 nm, cu un pachet fluture standard cu control al temperaturii TEC încorporat și monitorizare PD, oferind o ieșire optică stabilă și fiabilă.

Trimite o anchetă

Descriere produs

Dioda laser fluture cu mod multi-longitudinal Fabry-Perot (FP) de 850 nm, cu un pachet fluture standard cu control al temperaturii TEC încorporat și monitorizare PD, oferind o ieșire optică stabilă și fiabilă.


Caracteristici

Pachet Butterfly cu 14 pini;

Termistor încorporat și TEC;

Tipul de fibră poate fi fibră SM630-HP;

Temperatura de functionare:-20~ +70℃.


Aplicații

Instrument optic;

Sursa laser.


Caracteristici electro-optice (T=25℃)

Parametru Simbol Stare Min. Tip. Max. Unitate
Lungime de undă de operare λc CW, 25℃ 840 850 860 nm
Putere optică de ieșire PF - 30 - - mW
Curent de prag ITH 25℃ - 10 35 mA
Curentul de funcționare IOP CW - 255 275 mA
Tensiunea de operare VOP 25℃ - 2.1 2.3 V
Monitorizare curent IMON VRM = 5V 50 - 1500 μA
MPD Curent întunecat ID VRM = 5V - - 50 μA
Rezistența termistorului RTH 25℃ 9.5 10 10.5
Valoarea B a termistorului β 25℃/80℃ - 3950 - K


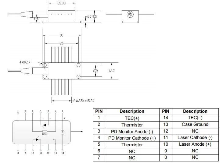
Desenul pachetului și definiția PIN-OUT (unitate: mm)

850nm Fabry Perot Fp Fiber Coupled Laser Diode


Livrare, livrare și servire

Toate produsele au fost testate înainte de expediere;

Toate produsele au 1-3 ani garanție. (După perioada de garanție a calității a început să percepe o taxă de întreținere corespunzătoare.)

Apreciem afacerea dvs. și vă oferim o politică de returnare instantanee de 7 zile. (7 zile de la primirea articolelor);

Dacă articolele pe care le cumpărați din magazinul nostru nu sunt de o calitate perfectă, adică nu funcționează electronic conform specificațiilor producătorului, pur și simplu returnați-le la noi pentru înlocuire sau rambursare;

Dacă articolele sunt defecte, vă rugăm să ne anunțați în termen de 3 zile de la livrare;

Orice articole trebuie returnate în starea inițială pentru a se califica pentru o rambursare sau înlocuire;

Cumpărătorul este responsabil pentru toate costurile de transport suportate.

850nm Fabry Perot Fp Fiber Coupled Laser Diode


FAQ

Î: Există un driver laser potrivit disponibil?

A: Da. De asemenea, putem integra dioda și driverul pentru a fi un modul sursă laser.


Î: Aveți alt laser FP cu lungime de undă?

R: Da, 488nm/ 520nm/ 532nm/ 660nm/ 850nm/ 1064nm... Vă rugăm să ne contactați pentru mai multe detalii.


Hot Tags: 850nm Fabry Perot FP diodă laser cuplată cu fibră, producători, furnizori, comerț cu ridicata, fabrică, personalizat, vrac, China, fabricat în China, ieftin, preț scăzut, calitate

Categorie aferentă

Trimite o anchetă

Vă rugăm să nu ezitați să trimiteți întrebarea dvs. în formularul de mai jos. Vă vom răspunde în 24 de ore.
X
Folosim cookie-uri pentru a vă oferi o experiență de navigare mai bună, pentru a analiza traficul site-ului și pentru a personaliza conținutul. Prin utilizarea acestui site, sunteți de acord cu utilizarea cookie-urilor. Politica de confidențialitate
Respinge Accepta