Dioda laser DFB 1653nm 40mW pentru senzorul de metan CH4 Sensing utilizează o construcție plană cu cip pe subpurtător. Cipul de mare putere este sigilat ermetic într-un pachet fluture cu 14 pini fără epoxi și fără flux și este echipat cu un termistor, un răcitor termoelectric și o diodă de monitorizare pentru a asigura performanța laser de înaltă calitate. Produsele noastre laser sunt calificate Telcordia GR-468 și sunt în conformitate cu directivele RoHS.
Dioda laser DFB 1653nm 40mW pentru senzorul de metan CH4 Sensing utilizează o construcție plană cu cip pe subpurtător. Cipul de mare putere este sigilat ermetic într-un pachet fluture cu 14 pini fără epoxi și fără flux și este echipat cu un termistor, un răcitor termoelectric și o diodă de monitorizare pentru a asigura performanța laser de înaltă calitate. Produsele noastre laser sunt calificate Telcordia GR-468 și sunt în conformitate cu directivele RoHS.
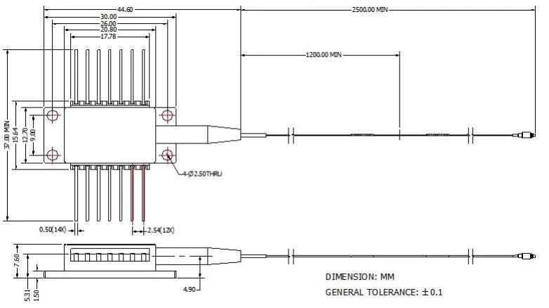
Pachet fluture standard cu 14 pini;
TEC încorporat și izolator optic;
Laser cu feedback distribuit (DFB) de înaltă performanță, cu godeu multicuantic (MQW).
Testarea producției de componente pasive pentru detectarea gazelor;
Sistem de detectare a gazelor fibre;
Surse laser.
| Parametru | Simbol | Stare | Min. | Tip. | Max. | Unitate |
| Lungimea de undă centrală | λc | TL=15~35℃ CW | 1652.7 | 1653.7 | 1654.7 | nm |
| Putere optică de ieșire | Po | CW | - | 40 | - | mW |
| LD Curent de prag | ITH | CW | - | 15 | 40 | mA |
| LD Curent direct | Dacă | Pf = Puterea nominală | - | 300 | 400 | mA |
| Izolarea optică | - | -10 < TC < +70℃ | 30 | - | - | dB |
| Raport de suprimare a modului lateral | SMSR | CW | 35 | 40 | - | dB |
| Monitorizați receptivitatea | Sunt /Pf | - | - | 1 | 20 | uA/mW |
| Monitorizați stabilitatea răspunsului | - | - | - | - | 20% | - |
| Monitorizați curentul întunecat | Id | VPD = 5V | - | - | 50 | N / A |
| Curent TEC | ITEC | Tcase = 75℃ | - | - | 2 | A |
| Tensiune TEC | VTEC | Tcase = 75℃ | - | - | 3.5 | V |
| Consumul de energie TEC | P | Tstg = 25℃ | - | - | 5 | W |
| Rezistența termistorului | Rth | Tcase = 75℃ | 9.5 | 10 | 10.5 | Kohm |
| Constanta termistorului B | Bth | Tstg = 25℃ | - | 3900 | - | K |
| Deriva lungimii de undă (EOL) | △λ | Testat pe o durată de viață de 25 de ani | - | - | ±0,1 | nm |
| Val. Coeficient de temperatură | Δλ/ΔT | Temperatura TEC de la 15℃ la 35℃ | - | 0.09 | - | nm/℃ |
| Lungime de undă Coeficient de curent | Δλ/ΔΙ | - | - | 0.01 | - | nm/mA |

Toate produsele au fost testate înainte de expediere;
Toate produsele au 1-3 ani garanție. (După perioada de garanție a calității a început să perceapă o taxă de întreținere adecvată.)
Apreciem afacerea dvs. și vă oferim o politică de returnare instantanee de 7 zile. (7 zile de la primirea articolelor);
Dacă articolele pe care le cumpărați din magazinul nostru nu sunt de o calitate perfectă, adică nu funcționează electronic conform specificațiilor producătorului, pur și simplu returnați-le la noi pentru înlocuire sau rambursare;
Dacă articolele sunt defecte, vă rugăm să ne anunțați în termen de 3 zile de la livrare;
Orice articole trebuie returnate în starea inițială pentru a se califica pentru o rambursare sau înlocuire;
Cumpărătorul este responsabil pentru toate costurile de transport suportate.
Î: Care este precizia lungimii de undă?
A: +/-0,5 nm.
Î: Aveți alte versiuni ale puterii de ieșire?
A: 10mW, 15mW, 50mW.
Laser fluture 1512nm 10mW DFB 14PIN pentru detectarea NH3
Diodă laser Fluture DFB 1392nm pentru detectarea umidității H2O
Diodă laser fluture DFB 1653nm pentru detectarea CH4
Diodă laser Fluture 1567nm DFB pentru detectarea CO
Diodă laser DFB 1578nm 10mW pentru detectarea hidrogenului sulfurat
Dioda laser Fluture 1580nm DFB pentru detectarea CO2Drepturi de autor @ 2020 Shenzhen Box Optronics Technology Co., Ltd. - Module de fibră optică din China, producători de lasere cuplate cu fibră, furnizori de componente laser Toate drepturile rezervate.