Modulul laser de mare putere de 1653,7 nm utilizează o construcție plană cu cip pe subcarrier. Înaltul Cipul de alimentare este sigilat ermetic într-un pachet fluture cu 14 pini fără epoxi și fără flux și prevăzut cu un termistor, răcitor termoelectric și diodă de monitorizare pentru a asigura performanța laserului de înaltă calitate. Dioda laser BTF 1653nm 40mW pentru detectarea gazului metan este calificată Telcordia GR-468 și în conformitate cu directivele RoHS.
Modulul laser de mare putere de 1653,7 nm utilizează o construcție plană cu cip pe subcarrier. Cipul de mare putere este sigilat ermetic într-un pachet fluture cu 14 pini fără epoxi și fără flux și este echipat cu un termistor, un răcitor termoelectric și o diodă de monitorizare pentru a asigura performanța laser de înaltă calitate. Produsele noastre laser sunt calificate Telcordia GR-468 și sunt în conformitate cu directivele RoHS.
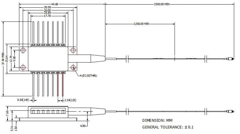
● Pachet fluture standard cu 14 pini;
● TEC incorporat si izolator optic;
● Laser cu feedback distribuit (DFB) de înaltă performanță, cu godeu multicuantic (MQW).
● Testarea productiei de componente pasive pentru detectarea gazelor;
● Sistem de detectare a gazelor fibre;
● Surse laser.
| Parametru | Simbol | Stare | Min. | Tip. | Max. | Unitate |
| Lungimea de undă centrală | lc | Tl = 15 ~ 35 ℃ qu | 1652.7 | 1653.7 | 1654.7 | nm |
| Putere optică de ieșire | După | CW | - | 40 | - | mW |
| LD Curent de prag | ITH | CW | - | 15 | 40 | mA |
| LD Curent direct | Dacă | Pf = Puterea nominală | - | 300 | 400 | mA |
| Izolarea optică | - | -10 < TC < +70℃ | 30 | - | - | dB |
| Raport de suprimare a modului lateral | SMSR | CW | 35 | 40 | - | dB |
| Monitorizați receptivitatea | Vaccinare | - | - | 1 | 20 | a fost / mw |
| Monitorizați stabilitatea răspunsului | - | - | - | - | 20% | - |
| Monitorizați curentul întunecat | Id | VPD = 5V | - | - | 50 | N / A |
| Curent TEC | ITEC | Tcase = 75℃ | - | - | 2 | A |
| Tensiune TEC | VTEC | Tcase = 75℃ | - | - | 3.5 | V |
| Consumul de energie TEC | P | Tstg = 25℃ | - | - | 5 | W |
| Rezistența termistorului | Rth | Tcase = 75℃ | 9.5 | 10 | 10.5 | Kohm |
| Constanta termistorului B | Bth | Tstg = 25℃ | - | 3900 | - | K |
| Deriva lungimii de undă (EOL) | △λ | Testat pe o durată de viață de 25 de ani | - | - | ±0,1 | nm |
| Val. Coeficient de temperatură | Dl/Dt | Temperatura TEC de la 15℃ la 35℃ | - | 0.09 | - | nm/℃ |
| Lungime de undă Coeficient de curent | Dl/DI | - | - | 0.01 | - | NM / in |

Toate produsele au fost testate înainte de expediere;
Toate produsele au 1 an garanție. (După perioada de garanție a calității a început să perceapă o taxă de întreținere corespunzătoare.)
Apreciem afacerea dvs. și vă oferim o politică de returnare instantanee de 7 zile. (7 zile de la primirea articolelor);
Dacă articolele pe care le cumpărați din magazinul nostru nu sunt de o calitate perfectă, adică nu funcționează electronic conform specificațiilor producătorului, pur și simplu returnați-le la noi pentru înlocuire sau rambursare;
Dacă articolele sunt defecte, vă rugăm să ne anunțați în termen de 3 zile de la livrare;
Orice articole trebuie returnate în starea inițială pentru a se califica pentru o rambursare sau înlocuire;
Cumpărătorul este responsabil pentru toate costurile de transport suportate.
Î: Care este precizia lungimii de undă?
A: +/-0,5 nm.
Î: Aveți alte versiuni ale puterii de ieșire?
A: 10mW, 15mW, 50mW.
Ansamblu laser reglabil integrat în bandă C, cu lățime de linie îngustă ITLA
1550nm 40mW 200Khz Lățime de linie îngustă DFB Butterfly Laser Diode
1550nm 40mW 600Khz DFB Pachet Fluture Diodă laser cu lățime de linie îngustă
1550nm 50mW 100Khz Lățime de linie îngustă DFB Butterfly Laser Diode
1550nm 2mW 5mW Diodă laser coaxială cu lățime de linie îngustă
1550NM 100MW 100kHz Lățime de linie îngustă Lățime DFB diodă laser BTF cu fibră SM/PMCopyright @ 2020 Shenzhen Box Optronics Technology Co., Ltd. - Module de fibră optică din China, producători de lasere cuplate cu fibre, furnizori de componente laser Toate drepturile rezervate.